Vòi rửa chén Hafele AUGUSTUS HT-C255 570.52.281

Thông số kỹ thuật
- Chất liệu: đồng bề mặt chrome
- Vòi lạnh
- Đóng gói: chưa bao gồm dây cấp nước
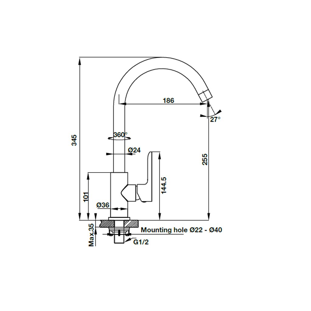
Kích thước sản phẩm

1. Thiết kế & chất liệu – Hiện đại và tinh tế
Vòi rửa HT‑C255 sở hữu thiết kế cổ cao cong hình chữ U vuốt nhẹ, mang lại vẻ sang trọng và tăng không gian thao tác khi rửa. Bề mặt được mạ chrome nhiều lớp, không chỉ đẹp mắt mà còn chống trầy xước và dễ vệ sinh.
Thân vòi làm từ đồng nguyên khối theo tiêu chuẩn Đức, đảm bảo độ bền cao và giảm thiểu hiện tượng rò nước.
2. Cấu tạo & kích thước – Linh hoạt và chắc chắn
Vòi được thiết kế lắp đặt 1 lỗ (Ø34 mm), phù hợp với chậu hoặc bàn đá. Thân vòi cao khoảng 345 mm, rộng 186 mm, thuận tiện cho nhiều hoạt động rửa khác nhau.
Cò vòi là loại gạt đơn, thao tác dễ dàng, có tích hợp đĩa sứ cartridge chất lượng cao từ Châu Âu, giúp đóng mở mượt mà và chống rò nước hiệu quả.
3. Công nghệ & trải nghiệm sử dụng – Thông minh và tiết kiệm
HT‑C255 sở hữu công nghệ QuickClean giúp vệ sinh đầu vòi nhanh chóng chỉ với việc lau nhẹ — hạn chế tắc nghẽn do cặn vôi.
Công nghệ AirPower trộn khí vào dòng nước, mang lại luồng nước êm mềm, giảm bắn nước và tiết kiệm nước hiệu quả.
Vòi còn có màng lọc tích hợp, giúp ổn định áp lực và bảo vệ da tay khi sử dụng.
4. Hiệu suất & áp lực nước – Mạnh mẽ và hiệu quả
Vòi chỉ dùng nước lạnh, áp lực nước tại đầu vòi dao động từ 4 – 9 lít/phút, đủ để làm đầy chậu rửa nhanh mà vẫn tiết kiệm nước.
Thiết kế chất liệu và cartridge cao cấp cho khả năng vận hành êm và bền bỉ theo thời gian.
5. Xuất xứ & bảo hành – Đáng tin cậy
Thương hiệu: Hafele (Đức), sản phẩm lắp tại Trung Quốc.
Bảo hành chính hãng: 24 tháng.
6. Ưu điểm nổi bật – Vì sao chọn HT‑C255?
| Ưu điểm | Mô tả chi tiết |
|---|---|
| Thiết kế cổ cao & mạ chrome | Hiện đại, dễ phối với chậu bếp; chống trầy và dễ vệ sinh |
| Chất liệu cao cấp | Đồng nguyên khối, cartridge sứ từ Châu Âu cho độ bền cao |
| Tiện ích vệ sinh | QuickClean dễ vệ sinh đầu vòi |
| Luồng nước êm & tiết kiệm | AirPower hạn chế văng nước, tiết kiệm hiệu quả |
| Hiệu suất đáng tin cậy | Áp lực nước ổn định 4–9 lít/phút |
| Thương hiệu uy tín | Hafele – chuẩn Đức, Bảo hành 24 tháng |
| Giá hợp lý | Rất cạnh tranh trong phân khúc vòi lạnh đơn giản |
7. Một số lưu ý khi sử dụng & bảo trì
-
Vệ sinh thân vòi bằng khăn mềm, tránh chất tẩy mạnh để kéo dài độ bền lớp mạ.
-
Kiểm tra&vệ sinh cartridge nếu xảy ra hiện tượng nhỏ giọt sau thời gian dài sử dụng.
-
Lưu ý đường cấp: sản phẩm không kèm dây cấp nước — bạn cần chuẩn bị dây phù hợp khi lắp.
Kết luận
Vòi rửa chén Hafele AUGUSTUS HT‑C255 (570.52.281) là lựa chọn sáng suốt cho những ai tìm kiếm vòi bếp cổ cao với thiết kế thanh lịch, tiện ích thông minh và hiệu suất tốt — mà vẫn trong phạm vi giá hợp lý. Từ chất liệu đồng đúc chắc chắn, bề mặt mạ chrome sang trọng, đến các công nghệ như QuickClean và AirPower, sản phẩm đáp ứng đầy đủ các tiêu chí thẩm mỹ, tiện dụng và bền bỉ.
Để biết thêm thông tin chi tiết và đặt hàng sản phẩm, hãy liên hệ ngay với Kithome. Chúng tôi luôn sẵn sàng hỗ trợ bạn!
📞 Hotline: 0983 196 190
🌐 Website: kithome.com.vn | bepkithome.vn
📌 Địa chỉ: Liền kề 11 – Lô A17 KĐT Geleximco, An Khánh, Hoài Đức, Hà Nội
🔹 Fanpage: Kithome Hà Nội
🎥 YouTube: Bếp Kithome Official
🎵 TikTok: @thuongpham9190
📱 Zalo OA: Kithome Zalo
👥 Nhóm Facebook: Hội Yêu Bếp Kithome
🔥 Hãy đến với Kithome để trải nghiệm sản phẩm và dịch vụ tốt nhất!



